伺服驱动器 伺服电机 变频器 HMI 控制器 定制伺服

产品中心

Product Center

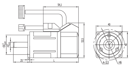
40ST-M003D2*

AC220V电机型号
40ST-M003D2*
L不带抱闸(mm)
90
L带永磁抱闸(mm)
124

资讯中心 关于日鼎 产品中心 资料下载 人力资源 联系我们

Copyright © 2018 杭州日鼎控制技术有限公司 All Rights Reserved浙ICP备17027696号-1